
產品規格:15A-80A
最高壓力:≤1.6MPa
承受溫度:常溫款≤80oC 耐溫款≤150oC
最高轉速:≤500-3000RPM
應用介質:冷卻水\高溫水\空氣\低溫油等
旋轉接頭設備特寫:

旋轉接頭特點:
運轉穩定 機械密封 合金殼體防銹耐腐
旋轉接頭優點:
1、采用高轉速電機軸承,雙軸承支撐運轉穩定。
2、可定制高轉速型(3000r/min)。
3、達標 304 不銹鋼中軸,銅鋁合金殼體,防腐防銹使用壽命更長。
4、可定制螺紋、法蘭多種連接方式,內管固定或內管旋轉多種使用方式。
5、平衡式機械密封結構,防銹渣隔泥沙。
6、完全流體設計,可在線更換密封件。
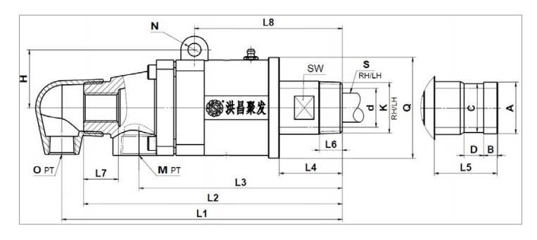
旋轉接頭規格尺寸:

旋轉接頭技術參數:
| 介質 | 規格 | 最高壓力 | 常溫款 | 耐溫款 | 最高轉速 |
| 水 | 15A-80A | 1.0MPa | 80oC | 150oC | 500RPM |
| 規格 | K | M | O | S | L1 | L2 | L3 | L4 | L6 | L7 | L8 | N | SW | d | Q | H | A(d8) | B | C | D | L5 |
| 20A 3/4'' | R3/4'' | Rc1/2'' | Rc1/2'' | G1/4'' | 205 | 198 | 162 | 48 | 18 | 27 | 124.5 | 8 | 24 | 17 | 55 | 36 | 26 | 11 | 24.4 | 15 | 53 |
| 25A 1'' | R1'' | Rc3/4' | Rc1/2'' | G3/8'' | 236 | 223 | 173 | 53 | 20 | 29 | 124 | 10 | 30 | 21.6 | 72 | 43 | 32.3 | 11 | 30.7 | 15 | 53 |
| 32A 1-1/4'' | R1-1/4'' | Rc1'' | Rc1/2'' | G1/2'' | 251 | 235 | 189 | 58 | 22 | 26 | 130.5 | 12 | 42 | 32 | 83.5 | 53.5 | 41 | 13 | 39.4 | 19 | 62 |
| 40A 1-1/2'' | R1-1/2'' | Rc1-1/4'' | Rc3/4'' | G3/4'' | 260 | 240 | 189 | 61 | 24 | 32 | 138 | 12 | 45 | 36 | 93 | 53.5 | 47.5 | 13 | 45 | 23 | 61 |
| 50A 2'' | R2'' | Rc1/2'' | Rc1'' | G1'' | 327 | 303 | 240 | 64 | 28 | 40 | 165 | 12 | 59 | 50 | 117 | 75 | 59 | 16 | 56.7 | 23 | 74 |
| 65A 2-1/2'' | R2-1/2'' | Rc2'' | Rc1-1/4'' | G1-1/4'' | 388 | 363 | 274 | 77 | 30 | 40 | 198 | 12 | 73 | 59 | 142 | 84 | 72 | 19 | 69 | 27 | 77 |
| 80A 3'' | R3'' | Rc2-1/2'' | Rc1-1/2'' | G1-1/2'' | 403 | 374 | 289 | 88 | 32 | 40 | 211 | 12 | 86 | 74 | 142 | 84 | 89.8 | 20 | 86 | 27 | 79 |

點擊圖片顯示大圖
旋轉接頭連接方式:

旋轉接頭工作原理:


歡迎撥打24小時全國銷售熱線:13927701075

電話:13927701075 微信同號
QQ:3503288092
郵箱:3503288092@qq.com
地址:佛山市南海區桂城街道聯東U谷桂城總部經濟港4棟101-102