
產品規格:20A-50A
最高壓力:≤2.5MPa
承受溫度:耐溫款≤350oC
最高轉速:≤250RPM
應用介質: 導熱油\蒸汽\高溫水\高溫介質等
旋轉接頭設備特寫:

旋轉接頭特點:
運轉穩定 經典結構 防銹耐腐
旋轉接頭優點:
1、正球面密封,密封材料含稀土銅粉,耐磨性能好。
2、偏擺適應性強,可自動調整同心。
3、多石墨軸承支撐,運轉同心度高
4、精密鑄造。耐磨耐高溫
5、可定制螺紋,法蘭多種連接方式,內管固定或內管旋轉多種使用方式。
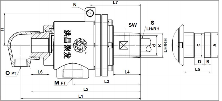
旋轉接頭規格尺寸:

旋轉接頭技術參數:
| 介質 | 規格 | 最高壓力 | 耐溫款 | 最高轉速 |
| 導熱油 | 20A-50A | 1.0MPa | 200oC | 250RPM |
| 規格 | K | M | L1 | L2 | L3 | L4 | L7 | N | d | SW | H | A(d8) | B | C | D | L5 |
| 20A 3/4'' | R3/4'' | R3/4'' | 146 | 110 | 45 | 16.2 | 94 | 11 | 16 | 23 | 52 | 26 | 11 | 24.4 | 15 | 45 |
| 25A 1'' | R1'' | Rc1'' | 162 | 114 | 51 | 19 | 102 | 12 | 22 | 30 | 48.5 | 32.3 | 11 | 30.7 | 16 | 51 |
| 32A 1-1/4'' | R1-1/4'' | Rc14'' | 188 | 126 | 51 | 21 | 104 | 14 | 31 | 38 | 59 | 41 | 13 | 39.4 | 19 | 51 |
| 40A 1-1/2'' | R1-1/2'' | Rc1-1/4'' | 212 | 148 | 63 | 21 | 116 | 14 | 36 | 44 | 67.5 | 47.5 | 13 | 45 | 23 | 63 |
| 50A 2'' | R2'' | Rc1-1/2'' | 233 | 161 | 64 | 25.5 | 120 | 15 | 47 | 56 | 76.5 | 59 | 16 | 56.7 | 23 | 64 |

點擊圖片顯示大圖


旋轉接頭結構細節示意圖:

旋轉接頭工作原理:


歡迎撥打24小時全國銷售熱線:13927701075

電話:13927701075 微信同號
QQ:3503288092
郵箱:3503288092@qq.com
地址:佛山市南海區桂城街道聯東U谷桂城總部經濟港4棟101-102